Équipez-vous au meilleur prix toute l'année‎
Rail XL alu CONEKT
Rail XL alu CONEKT

Rail XL alu CONEKT

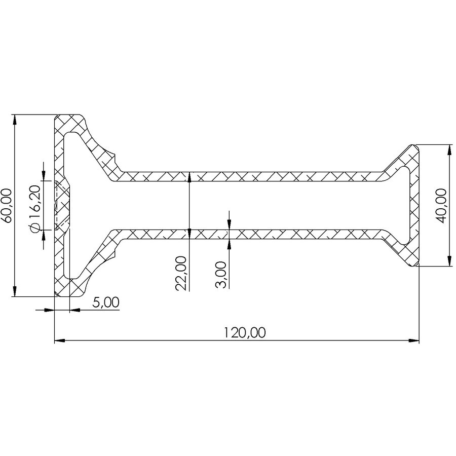
Le rail CONEKT XL possède un profil fermé en I, assurant une grande rigidité en flexion et en torsion.

Sélectionnez votre référence
+
-

Caractéristiques techniques

Référence Quantité Devis
Ref. R03XL
Code A0014120
Rail XL alu 3M CONEKT
+
-
Ref. R06XL
Code A0014122
Rail XL alu 6M CONEKT
+
-
Rail XL alu 3M CONEKT
Référence : R03XL
Quantité :
+
-
Rail XL alu 6M CONEKT
Référence : R06XL
Quantité :
+
-

Utilisation

Le rail CONEKT XL possède un profil fermé en I, assurant une grande rigidité en flexion et en torsion.

Une forme arrondie a été rajouté sous l'aile principale pour optimiser la circulation des roues de type AF76 85A selon un angle de 40°.

Le rail se connecte aux éclisses, aux butées et aux pièces d'angle avec 2 vis FHC M8 en inox 316.

Composition : alliage 6063

Finition : anodisation type OAD

Section et longueur : 60*120mm, ép 3mm tronçon de 3m et 6m.

Poids : 3210g / ml

Descriptif technique

Composition : alliage 6063


Finition : anodisation type OAD


Section et longueur : 60*120mm, ép 3mm tronçon de 3m et 6m.


Poids : 3210g / ml