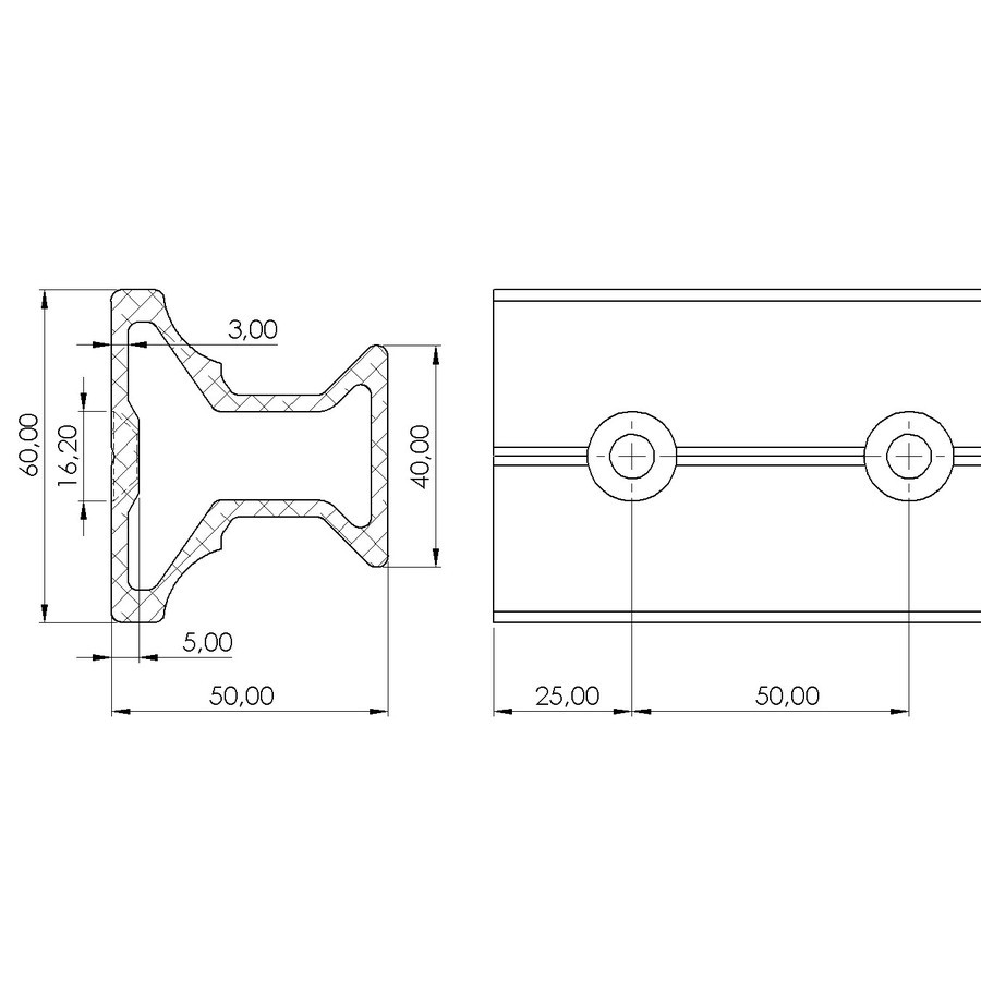
Le rail CONEKT possède un profil fermé en I, assurant une grande rigidité en flexion et en torsion.
Une forme arrondie a été rajouté sous l'aile principale pour optimiser la circulation des roues de type AF76 85A selon un angle de 40°. Cet angle permet de se dégager des fixations de rail.
Le rail se connecte aux éclisses, aux butées et aux pièces d'angle avec 2 vis FHC M8 en inox 316.
Composition : alliage 6063
Finition : anodisation type OAD
Section et longueur : 60*50mm, ép 3mm ; tronçon de 3m et 6m
Poids : 2030g / ml
Descriptif technique
Composition : alliage 6063
Finition : anodisation type OAD
Section et longueur : 60*50mm, ép 3mm ; tronçon de 3m et 6m
Lors de la navigation sur le site L'Echelle Européenne des cookies sont susceptibles d’être déposés, sous réserve de votre accord préalable.
Ces outils peuvent utiliser des cookies pour collecter des informations et générer des rapports sur les statistiques d'utilisation du site L'Echelle Européenne ou les mots clefs utilisés, sans que les utilisateurs individuels soient identifiés personnellement par Google. Dans ce cadre, vos données de navigations sur le site L'Echelle Européenne sont envoyées à Google Inc.
Le site L'Echelle Européenne utilise les outils suivants :
Accepter tout
Google Analytics, outil Google d'analyse d'audience Internet nous permettant de mieux comprendre le comportement des utilisateurs.
Google Adwords, outil de référencement publicitaire.
Google Tag Manager, outil de suivi, (ex : taux de conversion, temps passé sur une page, pages les plus visitées, taux d’abandon des paniers etc …).
Pixel Facebook, outil d’analyse permettant de mesurer l’efficacité de la publicité en suivant les actions entreprises par les personnes sur le site web. Les données collectées via le pixel peuvent par exemple être utilisées pour s’assurer que les publicités sont diffusées auprès des bonnes personnes ou développer des audiences pour les publicités.
Vous pouvez vous opposer à ces traitements en configurant vos préférences (dans la rubrique « Personnaliser » accessible depuis le bandeau « cookies » sur le site L'Echelle Européenne, ou dans la rubrique « Cookies » du site L'Echelle Européenne). Nous vous informons également que vous pouvez paramétrer la gestion des cookies en configurant votre navigateur.
Les cookies sont conservés pour une durée maximale de treize (13) mois à compter de leur dépôt sur votre terminal. A l’expiration de ce délai (ou si vous avez supprimé manuellement vos cookies), votre consentement pour le dépôt et/ou la lecture de cookies sera à nouveau requis.